防爆灯具系列
防爆标志灯
联系我们
产品详情

型号含义

image.png


适用范围

◎ 适用于爆炸性气体环境1区、2区

◎ 适用于IA、ⅡB、ⅡC级爆炸性气体环境:

◎ 适用于温度级别为T1~T4的环境

◎ 广泛用于石油开采、炼油、化工、烟草、军工等爆炸性环境场所。


产品结构性能

◎外壳采用铝合金铸造成型,表面抛丸处理后高压静电喷塑

◎LED光源采用高亮度、寿命长国际知名品牌芯片反光杯经过特殊配光设计,表面采用高科技表面处理工艺,反光效率高;

◎采用高能电池,容量高、寿命长,自放电率低

◎灯具具有小于0.25s应急切换时间,超快的应急响应速度为用户提供强有力的安全保障

◎灯具各结合面间均设置了良好的密封结构,密封圈均采用硅橡胶材料,耐高温、抗老化,外壳防护等级达到IP65,产品可用于比较复杂的环境;

◎安装方式:壁挂式。


正常工作条件

◎安装地点的海拔不超过2000m;

◎周围环境温为-40℃~+40℃,且24h内的平均温度值不超过+35℃;

周围空气相对湿度不大于95%(+25℃)

◎在无剧烈振动、冲击及摇动的地方

◎适用于1区、2区、IA、IB、IC类及T1~T6组爆炸性气体环境或可燃性粉尘场所。


配光曲线

image.png


主要技术参数


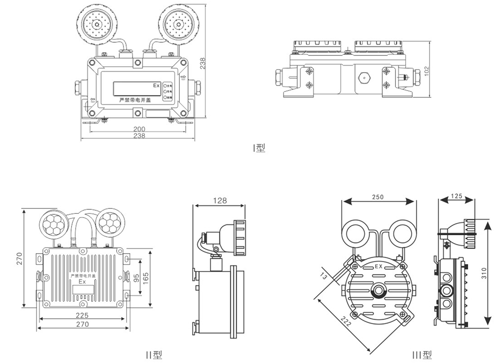
外形及安装尺寸


与我们合作,定将为您提供最为专业的技术支持与服务
立即联系我们